| штат: | |
|---|---|
AMD-COUPLINGS
Amanda
Изображения продукта
СПЕЦИФИКАЦИЯ ПРОДУКТА
Продукт дополнение
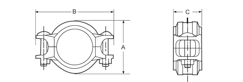
Корпуса соединения: нержавеющая сталь и пластичный железо, высокий давление в звании и высокий уровень. | C Oatings: применяться к различным привязкам и Акессоры, толщина не должна превышать 0,01 \". |
ХАРАКТЕРИСТИКИ
Корпуса:
Тип 304 из нержавеющей стали для ASTM A351 CF8 или A743 GR. CF8
Тип 316 до ASTM A743 CF8M
Тип 316L к ASTM A743 CF3M
CE8MN до ASTM A890 Grade 2A
Austenic 904L (CN2MCUN) до A351
Дуплекс 2205 (CD3MN) до ASTM A890 Grade 4A
Super Duplex 2507 (CE3MN) до ASTM A890 Grade 5A
Austenic 254SMO (CK3MCUN) до A743
Резиновые прокладки:
Уплотнения прокладки имеют C-образную форму, изготовленные из стандартной прокладки EPDM (этилен
мономер пропилена -диена) для холодной воды, горячей воды, редкой кислоты, без масла
воздух и несколько химических продуктов (-50 ~ 150). Он не подходит
для среднего такого нефть.
Болты и гайки:
Тип 304 Болты и гайки из нержавеющей стали для ASTM F-593
Тип 316 Болты и гайки из нержавеющей дорожки для ASTM F593
Тип 316 из нержавеющей треки болты на ASTM A193 B-8M с силиконом
Бронзовые тяжелые орехи ASTM B98 C65 100
Выставка
Наше преимущество
Наша фабрика
Усовершенствованное производственное оборудование | Профессиональный и технический персонал |
Адекватный инвентарь продукта | Богатый опыт отрасли |
Изображения продукта
СПЕЦИФИКАЦИЯ ПРОДУКТА
Продукт дополнение
Корпуса соединения: нержавеющая сталь и пластичный железо, высокий давление в звании и высокий уровень. | C Oatings: применяться к различным привязкам и Акессоры, толщина не должна превышать 0,01 \". |
ХАРАКТЕРИСТИКИ
Корпуса:
Тип 304 из нержавеющей стали для ASTM A351 CF8 или A743 GR. CF8
Тип 316 до ASTM A743 CF8M
Тип 316L к ASTM A743 CF3M
CE8MN до ASTM A890 Grade 2A
Austenic 904L (CN2MCUN) до A351
Дуплекс 2205 (CD3MN) до ASTM A890 Grade 4A
Super Duplex 2507 (CE3MN) до ASTM A890 Grade 5A
Austenic 254SMO (CK3MCUN) до A743
Резиновые прокладки:
Уплотнения прокладки имеют C-образную форму, изготовленные из стандартной прокладки EPDM (этилен
мономер пропилена -диена) для холодной воды, горячей воды, редкой кислоты, без масла
воздух и несколько химических продуктов (-50 ~ 150). Он не подходит
для среднего такого нефть.
Болты и гайки:
Тип 304 Болты и гайки из нержавеющей стали для ASTM F-593
Тип 316 Болты и гайки из нержавеющей дорожки для ASTM F593
Тип 316 из нержавеющей треки болты на ASTM A193 B-8M с силиконом
Бронзовые тяжелые орехи ASTM B98 C65 100
Выставка
Наше преимущество
Наша фабрика
Усовершенствованное производственное оборудование | Профессиональный и технический персонал |
Адекватный инвентарь продукта | Богатый опыт отрасли |
Предыстория проектаЗаказчик - фермер, который в основном выращивает марихуану. Показатель TDS местного источника воды составляет 200ppm, а рекомендуемый предел TDS воды для полива при выращивании марихуаны - 500ppm. Когда клиент поливает марихуану удобрениями, значение TDS для контроля солей в воде
Предыстория проектаЗаказчик - фермер, который в основном выращивает марихуану. Показатель TDS местного источника воды составляет 200ppm, а рекомендуемый предел TDS воды для полива при выращивании марихуаны - 500ppm. Когда клиент поливает марихуану удобрениями, значение TDS для контроля солей в воде
Ежегодная конференция и выставка Ассоциации качества воды (WQA) 2025 пройдет с 22 по 24 апреля в США, и команда UMEK будет присутствовать на ней с нашими умягчителями воды, установками обратного осмоса, регулирующими клапанами и широким спектром аксессуаров для водоподготовки. Мы приглашаем клиентов